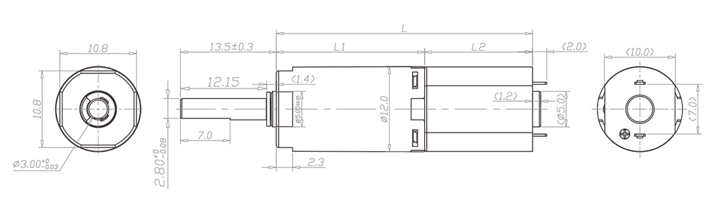
12MM减速齿轮箱
外径:12mm
材质:塑料
旋转方向:cw&ccw
齿轮箱回程差:≤3°
轴承:含油轴承;滚动轴承
轴向窜动:≤0.3mm(含油轴承);≤0.2mm(滚动轴承)
输出轴径向负载:≤5N(含油轴承);≤10N(滚动轴承)
工作温度:-20……+85℃
| 齿轮级数 | 1 | 2 | 3 | 4 |
| 减速比 | 4/6 | 16/24/36 | 64/96/144/216 | 256/384/576/864/1296 |
| 最大容许扭力(gf.cm) | 1300 | 1300 | 1300 | 1300 |
| 瞬间容许力矩(gf.cm) | 4000 | 4000 | 4000 | 4000 |
| 齿轮箱效率 | 85 | 73 | 65 | 58 |
| 长度 | 9.5 | 13.3 | 17.1 | 20.9 |
| 马达(可选择) | 直流有刷电机、直流无刷电机、步进电机 |
| 电压(可选择) | 3-24V |
| 输入速度 | ≤30000rpm |
| 电流 | 250mA max |

- 驱动比
- 4/6
- 最大容许扭力(gf.cm)
- 1300
- 瞬间容许力矩(gf.cm):
- 4000
- 齿轮箱效率
- 85
- 长度
- 9.5
- 驱动比
- 16/24/36
- 最大容许扭力(gf.cm)
- 1300
- 瞬间容许力矩(gf.cm):
- 4000
- 齿轮箱效率
- 73
- 长度
- 13.3
- 驱动比
- 64/96/144/216
- 最大容许扭力(gf.cm)
- 1300
- 瞬间容许力矩(gf.cm):
- 4000
- 齿轮箱效率
- 65
- 长度
- 17.1
- 驱动比
- 256/384/576/864/1296
- 最大容许扭力(gf.cm)
- 1300
- 瞬间容许力矩(gf.cm):
- 4000
- 齿轮箱效率
- 58
- 长度
- 20.9
| 马达(可选择) | 直流有刷电机 |
| 电压(可选择) | 3-24V |
| 输入速度 | ≤30000rpm |
| 电流 | 250mA max |
- 额定转速(rpm):
- 1875
- 最高转速(rpm):
- 7500
- 额定容许力矩(gf.cm):
- 1300
- 瞬间容许力矩(gf.cm):
- 4000
- 减速比:
- 4
- 减速箱长L1(mm):
- 9.5
- 总长L(mm):
- 24.5
- 额定转速(rpm):
- 1250
- 最高转速(rpm):
- 5000
- 额定容许力矩(gf.cm):
- 1300
- 瞬间容许力矩(gf.cm):
- 4000
- 减速比:
- 6
- 减速箱长L1(mm):
- 9.5
- 总长L(mm):
- 24.5
- 额定转速(rpm):
- 469
- 最高转速(rpm):
- 1875
- 额定容许力矩(gf.cm):
- 1300
- 瞬间容许力矩(gf.cm):
- 4000
- 减速比:
- 16
- 减速箱长L1(mm):
- 13.3
- 总长L(mm):
- 28.3
- 额定转速(rpm):
- 313
- 最高转速(rpm):
- 1250
- 额定容许力矩(gf.cm):
- 1300
- 瞬间容许力矩(gf.cm):
- 4000
- 减速比:
- 24
- 减速箱长L1(mm):
- 13.3
- 总长L(mm):
- 28.3
- 额定转速(rpm):
- 208
- 最高转速(rpm):
- 833
- 额定容许力矩(gf.cm):
- 1300
- 瞬间容许力矩(gf.cm):
- 4000
- 减速比:
- 36
- 减速箱长L1(mm):
- 13.3
- 总长L(mm):
- 28.3
- 额定转速(rpm):
- 117
- 最高转速(rpm):
- 469
- 额定容许力矩(gf.cm):
- 1300
- 瞬间容许力矩(gf.cm):
- 4000
- 减速比:
- 64
- 减速箱长L1(mm):
- 17.1
- 总长L(mm):
- 32.1
- 额定转速(rpm):
- 78
- 最高转速(rpm):
- 313
- 额定容许力矩(gf.cm):
- 1300
- 瞬间容许力矩(gf.cm):
- 4000
- 减速比:
- 96
- 减速箱长L1(mm):
- 17.1
- 总长L(mm):
- 32.1
- 额定转速(rpm):
- 52
- 最高转速(rpm):
- 208
- 额定容许力矩(gf.cm):
- 1300
- 瞬间容许力矩(gf.cm):
- 4000
- 减速比:
- 144
- 减速箱长L1(mm):
- 17.1
- 总长L(mm):
- 32.1
- 额定转速(rpm):
- 35
- 最高转速(rpm):
- 139
- 额定容许力矩(gf.cm):
- 1300
- 瞬间容许力矩(gf.cm):
- 4000
- 减速比:
- 216
- 减速箱长L1(mm):
- 17.1
- 总长L(mm):
- 32.1
- 额定转速(rpm):
- 29
- 最高转速(rpm):
- 117
- 额定容许力矩(gf.cm):
- 1300
- 瞬间容许力矩(gf.cm):
- 4000
- 减速比:
- 256
- 减速箱长L1(mm):
- 20.9
- 总长L(mm):
- 35.9
- 额定转速(rpm):
- 20
- 最高转速(rpm):
- 78
- 额定容许力矩(gf.cm):
- 1300
- 瞬间容许力矩(gf.cm):
- 4000
- 减速比:
- 384
- 减速箱长L1(mm):
- 20.9
- 总长L(mm):
- 35.9
- 额定转速(rpm):
- 13
- 最高转速(rpm):
- 52
- 额定容许力矩(gf.cm):
- 1300
- 瞬间容许力矩(gf.cm):
- 4000
- 减速比:
- 576
- 减速箱长L1(mm):
- 20.9
- 总长L(mm):
- 35.9
- 额定转速(rpm):
- 9
- 最高转速(rpm):
- 35
- 额定容许力矩(gf.cm):
- 1300
- 瞬间容许力矩(gf.cm):
- 4000
- 减速比:
- 864
- 减速箱长L1(mm):
- 20.9
- 总长L(mm):
- 35.9
- 额定转速(rpm):
- 6
- 最高转速(rpm):
- 23
- 额定容许力矩(gf.cm):
- 1300
- 瞬间容许力矩(gf.cm):
- 4000
- 减速比:
- 1296
- 减速箱长L1(mm):
- 20.9
- 总长L(mm):
- 35.9
*以上规格数据仅供参考,如有修改恕不另行通知。
* The above specifications are subject to change without prior notice.
-
唱片机应用
-
内窥镜应用 -
智能水表应用
J9官网 — 微型驱动系统制造商
专注于研发、生产精密驱动系统,为客户提供智能驱动方案设计,零件的生产与组装的定制化服务















