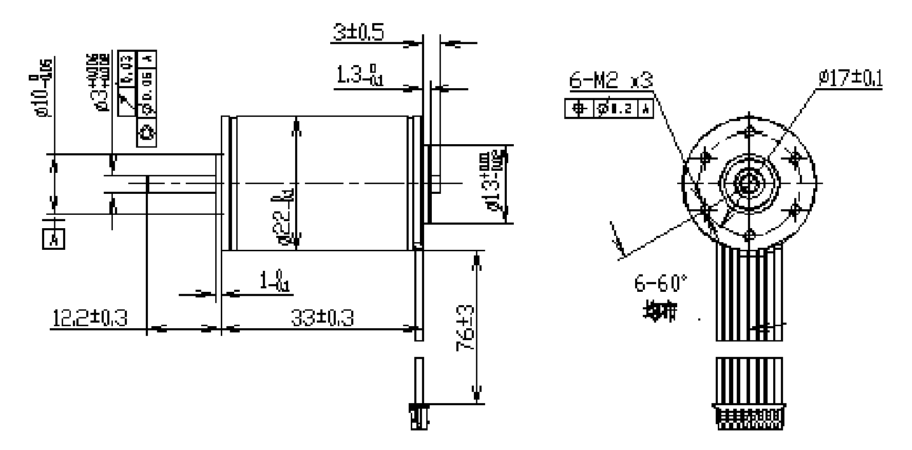
Φ22mm无刷空心杯电机(MC2232)
产品型号:MC2232
直径(mm):22
长度(mm):32
额定电压(V):24
额定转速(rpm):10400
堵转转矩(mNm):627
堵转电流(A) :47
转矩常数(mNm/A):13.7
速度常数(rpm/V) :699
输出轴直径(mm):3
电机参数
| 电机数据(额定值) | |||||
| 额定电压(V) | 24 | 28 | |||
| 空载转速(rpm) | 11700 | 7200 | |||
| 空载电流(A) | 0.085 | 0.06 | |||
| 额定转速 (rpm) | 10400 | 5500 | |||
| 额定转矩(mNm) | 15 | 20 | |||
| 额定电流(A) | 0.96 | 0.65 | |||
| 堵转转矩(mNm) | 132 | 81.9 | |||
| 堵转电流(A) | 7.2 | 2.35 | |||
| 最大效率(%) | 71.8 | 70.7 | |||
| 电机常数(额定值) | |||||
| 相间电阻(Ω) | 3.5 | 11.9 | |||
| 相间电感(mH) | 0.43 | 0.77 | |||
| 转矩常数(mNm/A) | 13.7 | 35.7 | |||
| 速度常数(rpm/V) | 699 | 267 | |||
| 转速/转矩斜度( rpm/mNm) | 26.6 | 89.1 | |||
| 机械时间常数(ms) | 1.3 | 14.18 | |||
| 转子惯量(gcm2) | 1.52 | 1.52 | |||
| 热参数 | |||||
| 机壳-环境热阻(K/W) | 13.6 | 16.3 | |||
| 绕组-机壳热阻(K/W) | 350 | 456.5 | |||
| 绕组热时间常数(s) | 5.7 | 8.6 | |||
| 电机热时间常数(s) | 1340 | 1500 | |||
| 环境温度(℃) | -20…+100 | -20…+100 | |||
| 最高绕组温度(℃) | 125 | 125 | |||
| 机械参数(滚珠轴承) | |||
| 最大允许转速(rpm) | 25 000 | ||
| 最大轴向间隙(mm) | < 3 N 0 | ||
| 12 N > 3 N 0.1(max) | |||
| 径向间隙 | preloaded | ||
| 最大轴向动态载荷(N) | 3.2 | ||
| 最大允许安静态装力(N) | 29 | ||
| 最大径向载荷,距离法兰处2mm处(N) | 15 | ||
| 端子型号 | |||
| CJT A1257HRE-5P UL1571 AWG26 | |||
| CJT C6201HFB-2*2P UL1571 AWG22 | |||
| CJT C6201HFB-2X5P UL10064 AWG30 | |||
设计图纸














查看详情


Φ22mm无刷空心杯电机(MC2232)规格书