Φ12mm无刷空心杯电机(MC1223)
产品型号:MC1223
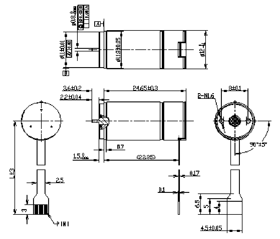
直径(mm):12
长度(mm):23
额定电压(V):12
额定转速(rpm):25400
堵转转矩(mNm):8.6
堵转电流(A) :2.8
转矩常数(mNm/A):3.3
速度常数(rpm/V) :3857
输出轴直径(mm):0.8
电机参数
| 电机数据(额定值) | |||||
| 额定电压(V) | 12 | 12 | |||
| 空载转速(rpm) | 33000 | 19000 | |||
| 空载电流(A) | 130 | 80 | |||
| 额定转速 (rpm) | 25400 | 15300 | |||
| 额定转矩(mNm) | 1.8 | 0.98 | |||
| 额定电流(A) | 0.67 | 0.26 | |||
| 堵转转矩(mNm) | 8.6 | 5.3 | |||
| 堵转电流(A) | 2.8 | 1.1 | |||
| 最大效率(%) | 61.2 | 52.1 | |||
| 电机常数(额定值) | |||||
| 相间电阻(Ω) | 4.2 | 11.75 | |||
| 相间电感(mH) | 0.071 | 0.198 | |||
| 转矩常数(mNm/A) | 3.3 | 5.6 | |||
| 速度常数(rpm/V) | 2857 | 1695 | |||
| 转速/转矩斜度( rpm/mNm) | 3819 | 3557 | |||
| 机械时间常数(ms) | 4.56 | 4.28 | |||
| 转子惯量(gcm2) | 0.126 | 0.126 | |||
| 热参数 | |||||
| 机壳-环境热阻(K/W) | / | / | |||
| 绕组-机壳热阻(K/W) | / | / | |||
| 绕组热时间常数(s) | / | / | |||
| 电机热时间常数(s) | / | / | |||
| 环境温度(℃) | -20…+100 | -20…+100 | |||
| 最高绕组温度(℃) | 125 | 125 | |||
| 机械参数(滚珠轴承) | |||||
| 最大允许转速(rpm) | 40 000 | 40 000 | |||
| 最大轴向间隙(mm) | < 0.15 N 0 | < 0.15 N 0 | |||
| > 0.15 N 0.06(max) | > 0.15 N 0.06(max) | ||||
| 径向间隙 | preloaded | preloaded | |||
| 最大轴向动态载荷(N) | 2 | 2 | |||
| 最大允许安静态装力(N) | 10 | 10 | |||
| 最大径向载荷,距离法兰处2mm处(N) | 5 | 5 | |||
| 端子型号 | |||||||
| Molex 52745-1297 | SL-FPC0.5-8P-H1.0 | ||||||
设计图纸














查看详情
Φ12mm无刷空心杯电机(MC1223)规格书